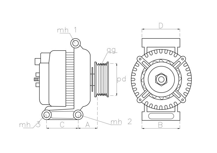
Генератор TT11560
Нет в наличии
Справочная информация
ALTERNATOR FORD 12V 95A, CW (2002-98) Ford Escort 2.0L (2003) Ford ZX2 2.0L
Кросс-номера и комплектующие
ALT1810
UNIPOINT
Комплектующие112918
CARGO
FOF7PU10300JA
FORD
FOF7PU10346JA
FORD
FOF7PZ10346JA
FORD
7794N
LESTER
SM11560
SAEMOTO
1-2160-11FD
WAI
1-2160-11FD-2
WAI
Рекомендованные товары


