Дифференциал в сборе TT66258
Нет в наличии
от
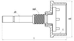
Справочная информация
for 0001107433, RENAULT Duster 2.0 16V HS 2011- F4R / RENAULT Clio III 2.0 16V Sport BR CR 2006-2012 F4R830 F4R832 / RENAULT Espace IV 2.0 JK 2005- F4R // TOYOTA Auris 1.4 D-4D E15 2007- 1ND-TV / TOYOTA Yaris II 1.4 D-4D
Кросс-номера и комплектующие
TT66258 PRO
TT
SG0069S
AS
1006200319
BOSCH
1006200508
BOSCH
1006200582
BOSCH
1007010128
BOSCH
239780
CARGO
F032239780
CARGO
SC-780
WIX

