Стартер TT15938
Нет в наличии
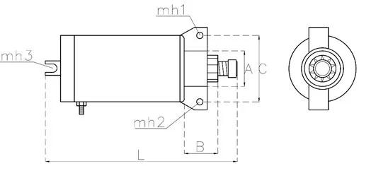
Справочная информация
12V, CCW, 9S; Yamaha ATV YFA-1 Breeze125 -- -L 124cc -cid 1989-2004, YFM125 Grizzly 124cc 2004-2013
Кросс-номера и комплектующие
CM18755N
ACE
109-18755
ALLTECH
SMU0062
ARROWHEAD
22-18755
BBB INDUSTRIES
410-54015
J&N
18755N
LESTER
191-340
PIC
SM15938
SAEMOTO
219179
WAI
71-26-18755
WILSON
Применение
Другие


