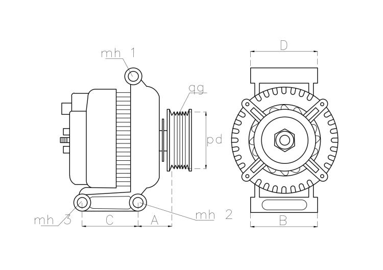
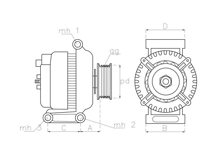
Генератор TT12181
Кросс-номера и комплектующие
TT12181 PRO
TT
FG23S013
VALEO
Комплектующие28-5947
ELSTOCK
A0141543402
MERCEDES-BENZ
A014154340280
MERCEDES-BENZ
555.595.220
PSH
555.595.220.500
PSH
SM12181
SAEMOTO
439688
VALEO
440273
VALEO
Рекомендованные товары














