Ваш город ?
Транс СтартерКорзина

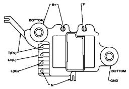
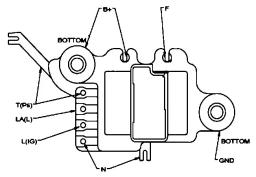
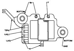
Регулятор TT31159

Нет в наличии
АртикулTT31159
Напряжение24 V
Рабочее напряжение28.3 V
ПодключениеP-L-IG-D
Тип питания регулятораTrio
Режим работыA
Расстояние между монтажными отверстиями66 mm
ИсполнениеSAWAFUJI
EAN138436250019158
Ширина упаковки0.085 m
Высота упаковки0.06 m
Глубина упаковки0.135 m
Масса0.095 kg
Справочная информация
24 Volt
Кросс-номера и комплектующие
TT31159 B
TT
TT31159 PRO
TT
TT31720
TT
IW705
ASKA
233493
CARGO
F032233493
CARGO
27700-1810
HINO
VR-H2005-102B
MOBILETRON
23500-99109
NISSAN
SM31159
SAEMOTO