Стартер SM16420
Нет в наличии
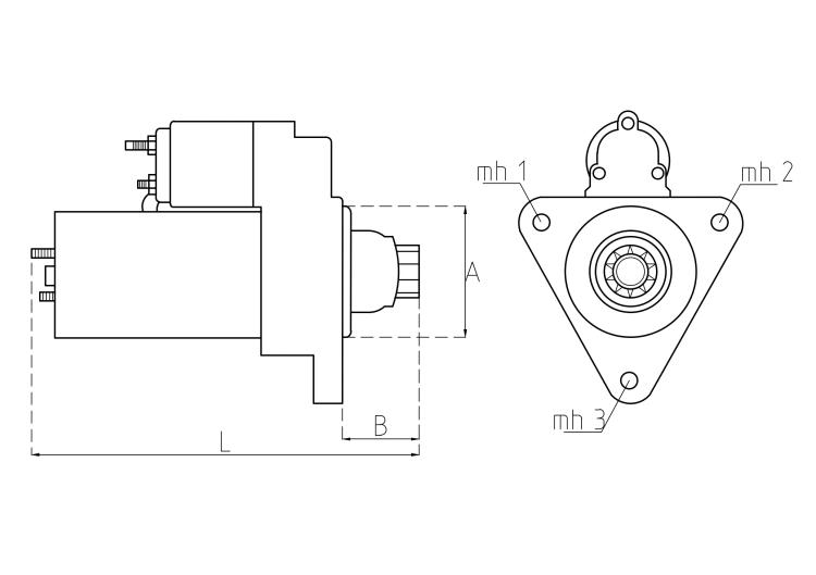
Справочная информация
24V, 6.2kW, CW, 12T; TT16420 - DELCO REMY 39 MT; TT16564 - MITSUBISHI M9T83671; СМОТРИ UPSTR4396 с с разв. крышки и терм. датч. , NR01241004, CS1269 з/кр!
Кросс-номера и комплектующие
TT16420
TT
TT16420 Out
TT
TT16420 PRO
TT
TT16564
TT
TT16564 PRO
TT
0001241128
BOSCH
Комплектующие0001330050
BOSCH
Комплектующие19024196
DELCO REMY
Комплектующие8200519
DELCO REMY
Комплектующие8EA012586-231
HELLA
КомплектующиеРекомендованные товары
















