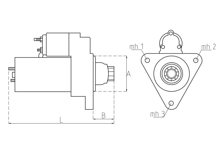
Стартер TT15126
Нет в наличии
Справочная информация
12V, 1.8kW, CW, 9t, Toyota 4Runner, Tacoma, Tundra 3.4L w/ AT; двиг. 5VZ-FE
Кросс-номера и комплектующие
STR5201
UNIPOINT
Комплектующие113173
CARGO
228000-4080
DENSO
228000-4082
DENSO
228000-4083
DENSO
17672N
LESTER
SM15126
SAEMOTO
28100-62030
TOYOTA
2-1838-ND
WAI
Рекомендованные товары




