Стартер TT15249 PRO
Нет в наличии
Справочная информация
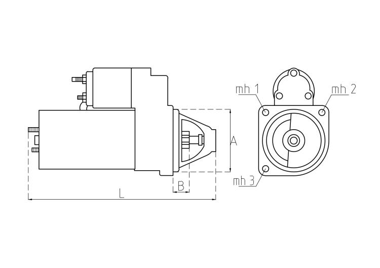
12V, 2.2kW, CW, 9T; OPEL Movano A 2.5L D 1998-2001 S8U772 / OPEL Movano A 2.8L DTI 1998-2002 S9W702 / RENAULT Master II 2.5L 1997-2003 S8U770 / RENAULT Master II 2.8L dTi 1997-2003 S9W702
Кросс-номера и комплектующие
TT15249
TT
M002T87671
MITSUBISHI
КомплектующиеM2T87671
MITSUBISHI
КомплектующиеSTR7037
UNIPOINT
КомплектующиеS5009
AS
0986020091
BOSCH
112103
CARGO
CS1160
CARGO
F032112103
CARGO
09160556
GENERAL MOTORS
Применение
Opel
Renault
Рекомендованные товары















