Стартер TT15262
Нет в наличии
Справочная информация
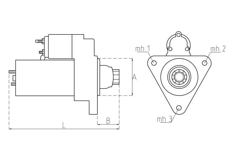
12V, 1.1 kW.; CCW, 10-Tooth Pinion; VW Transporter 1.8L, 2.0L (Europe) см CS597, CS801
Кросс-номера и комплектующие
0001121010
BOSCH
Комплектующие0001121011
BOSCH
Комплектующие0986018470
BOSCH
113677
CARGO
CS1176
CARGO
F032113677
CARGO
33031N
LESTER
R1176
POLSTARTER
2S0960
RIDEX
SM15262
SAEMOTO
Применение
Другие
Рекомендованные товары













