Стартер TT15505
Нет в наличии
АртикулTT15505
Напряжение12 V
Мощность2.2 KW
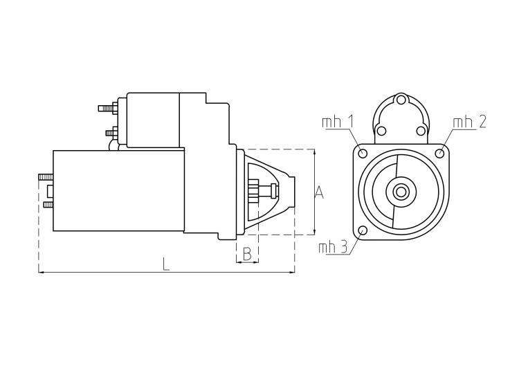
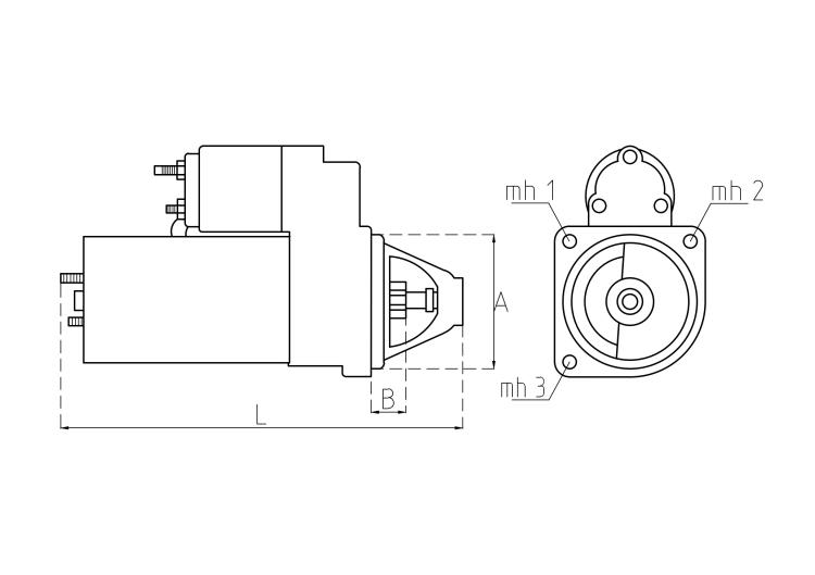
Размер A82.5 mm
Размер B21 mm
Количество зубьев11
Диаметр зубчатки29 mm
Длина274 mm
Направление вращенияCR
Клемма 50M4
ИсполнениеBOSCH
Тип транспортного средстваAutomotive
Справочная информация
; 12V;2.2kW;Alfa Romeo; ;
Кросс-номера и комплектующие
TT15505 PRO
TT
0001218023
BOSCH
Комплектующие0001218125
BOSCH
Комплектующие0001218158
BOSCH
Комплектующие0001218175
BOSCH
Комплектующие195270503000
ALFA ROMEO
605129690
ALFA ROMEO
0001218725
BOSCH
0001218758
BOSCH
0986015610
BOSCH
Применение
ALFA ROMEO
155 (167.A1A, 167.A1G) 1993-04 - 1997-12 2.5 Diesel (VM 07 B, VM 31 B) 92kW /125HP
164 (164.A1A) 1987-06 - 1992-09 2.5 Diesel (VM 84 A) 84kW /114HP
164 (164.K2A, 164.K2B) 1992-09 - 1998-09 2.5 Diesel (VM 08 B, VM 32 B) 92kW /125HP
33 (905A4) 1986-01 - 1990-06 1.8 Diesel (VM 82 A) 54kW /73HP
33 (905B4, 905A4) 1986-01 - 1989-12 1.8 Diesel (VM 96 A) 62kW /84HP
33 (907A5) 1990-07 - 1994-09 1.8 Diesel (VM 96 A) 62kW /84HP
Chrysler
Voyager / GRANDR III (GS_, NS_) CARAVAN / TACUMA / TOWN & 1995-01 - 2001-03 2.5 Diesel (425 CLIRS/X, ENC) 85kW /116HP
Voyager / GRANDR III (GS_, NS_) CARAVAN / TACUMA / TOWN & 1995-10 - 2001-03 2.5 Diesel (ENC) 85kW /116HP
Voyager II (ES) CARAVAN 1992-01 - 1995-09 2.5 Diesel (09B, M00) 87kW /118HP
Voyager II (ES) CARAVAN 1992-01 - 1995-09 2.5 Diesel (VM HR 425 CLIEE) 85kW /116HP
DODGE
Caravan 1995-01 - 2001-03 2.5 Diesel (ENC) 85kW /116HP
Jeep
Cherokee (XJ)WAGONEER 1988-01 - 2001-09 2.5 Diesel (ENC) 85kW /116HP
Cherokee (XJ)WAGONEER 1995-10 - 2001-09 2.5 Petrol (EPE) 89kW /121HP
Cherokee (XJ)WAGONEER 1996-10 - 2001-09 2.5 Diesel (ENC) 85kW /116HP
Grand Cherokee I (ZJ, ZG) 1995-10 - 1999-04 2.5 Diesel (ENC) 85kW /115HP
Grand Cherokee I (ZJ, ZG) 1996-10 - 1998-09 2.5 Diesel (ENC) 85kW /115HP
Rover
800 1993-09 - 1999-02 2.5 Diesel (425 SL1RR, 492 4 SHIRG) 87kW /118HP
Рекомендованные товары
Щетки TT53225
Напряжение
12 V
Высота
18 mm
Ширина
7.5 mm
Длина
17 mm
Ротор стартера TT71096
Напряжение
12 V
Мощность
2.2 KW
Длина
158 mm
Диаметр наружный
50 mm
Электромагнит TT76098
Напряжение
12 V
Диаметр наружный
56.6 mm
Количество крепежных отверстий
3
Количество терминалов
3
Бендикс TT61224
Количество зубьев
11
Диаметр зубчатки
29 mm
Длина
62 mm
Количество шлицов
10
Нет в наличии
Статор стартера TT74088
Напряжение
12 V
Мощность
2.2 KW
Высота
83.09 mm
Диаметр наружный
75 mm
Щеткодержатель TT51113
Напряжение
12 V
Диаметр наружный
83.3 mm
Диаметр внутренний
32 mm
Высота
27.6 mm
Редуктор стартера TT66056
Длина
145 mm
Диаметр вала
12 mm
Количество шлицов
10
Направление вращения
CR
Нет в наличии
Вилка TT84047
Длина
92.7 mm
Ширина
40.35 mm
Исполнение
BOSCH
Нет в наличии
Подшипник SM44046
Диаметр внутренний
12 mm
Диаметр наружный
16 mm
Высота
10 mm
Тип подшипника
Needle












