Стартер TT16695
Нет в наличии
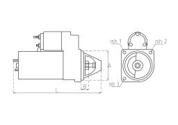
Справочная информация
12V, 2,0kW, CW, 9T; УАЗ-315195, 3160 с двигат. АНДОРИЯ (дизель) , Gazel Diversen
Кросс-номера и комплектующие
TT16695 Out
TT
TT16695 PRO
TT
TT16695 R
TT
0001109027
BOSCH
Комплектующие0001109046
BOSCH
Комплектующие8000017
DELCO REMY
Комплектующие8000425
DELCO REMY
КомплектующиеS0274
AS
S9017
AS
S9017SR
AS
Рекомендованные товары









